

○当监测电流达到预设条件时,该继电器进行电流闭锁的动作,红色指示灯亮。
○具有延时功能,当监测电流达到预设条件时,该继电器在设置的延时时间后进行电流闭锁的动作,红色指示灯亮。
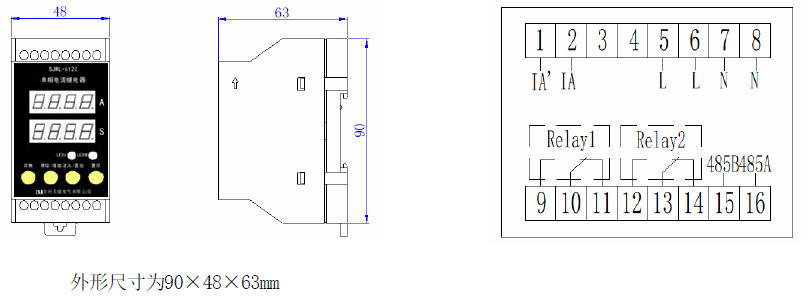
○RS485通讯功能可选。
○瞬时动作:当输入电流高或低于整定值时,继电器立即动作。可带锁定功能。
○延时动作:类似于上述瞬时动作特性,区别在于达到动作条件时,继电器不是立即动作,需经过下方的数码管设定的延时时间后才动作。若在此延时时间内动作条件消失,继电器不再动作。

◆额定电压:5A 50Hz(60Hz 可定制);
◆长期工作电压:5A 50Hz(60Hz 可定制);
◆辅助电源 DC/AC:85-260VAC/10-370VDC;
◆工作/存储温度:-20℃~+70℃/-40℃~+85℃;
◆整定电流范围:0.2~9.9A AC;
◆整定值平均误差:不大于±3%;
◆动作一致性:不大于 3%;
◆返回系数:过电流不小于 0.9,欠电流不大于 1.1;
◆延时时间:0~99.9s;
◆延时平均误差:不大于±(1%整定值+200ms);
◆延时一致性:不大于(1%整定值+200ms);
◆接点数量和类型:两组转换接点;
◆接点容量:5A 250VAC/30VDC;
◆介质强度:2kV 50Hz/1min,漏电流≤0.1mA;
◆静电放电抗扰度:GB/T 17626.2-2018 Ⅲ级 ±8kV 空气放电、±6kV 接触放电;
◆电快速瞬变脉冲群抗扰度:GB/T 17626.4-2018 Ⅲ级 ±2V 对电源端口;
◆浪涌(冲击)抗扰度:GB/T 17626.5-2019 Ⅳ级(线对线±2kV,线对地±4kV);
◆通讯功能:RS485 可选。
| 文件名 | 产品类型 | 下载 |
|---|---|---|
| SJWL-612C 单流电压继电器 PDF文档 | 产品手册 | 文档下载 |