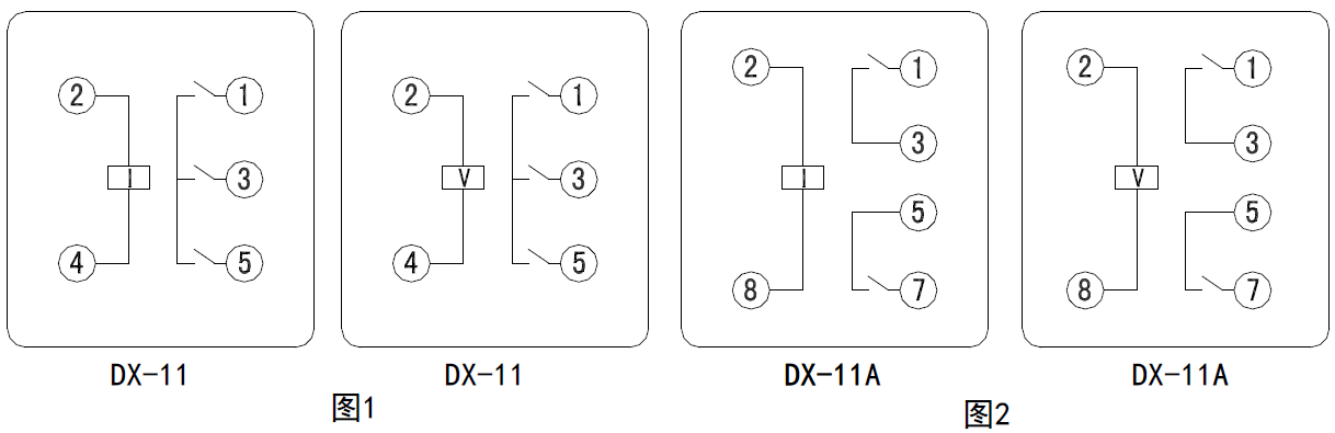
该继电器为电磁式拍合型继电器,它具有电磁铁和带公共点的三付动合触点及一个信号牌。继电器内部接线图如图1、如图2 所示。
DX-11 型、DX-11A 继电器可以前面接线或后面接线,并且应安装在垂直面板上。
DX-11(A)Q 型继电器外形及安装方式改为嵌入式板后接线。
外形及安装尺寸见《附录》H01A、H10A、H11A。

1 继电器的额定数据列于表1(用于电流型继电器)和表2(用于电压型继电器)中。

2 电流型继电器功率消耗约0.3W,而电压型继电器线圈电路功率消耗约2W。
3 在继电器瞬时返回的条件下,当电压在250V 以下及电流在2A 以下时,触点的断开容量在具有电感负荷的直流电路中为50W,在交流电路中为250VA。
4 继电器的电路对外壳的介质强度应耐受交流50Hz,电压2kV 历时1min 试验。
5 继电器重量约0.5kg。